

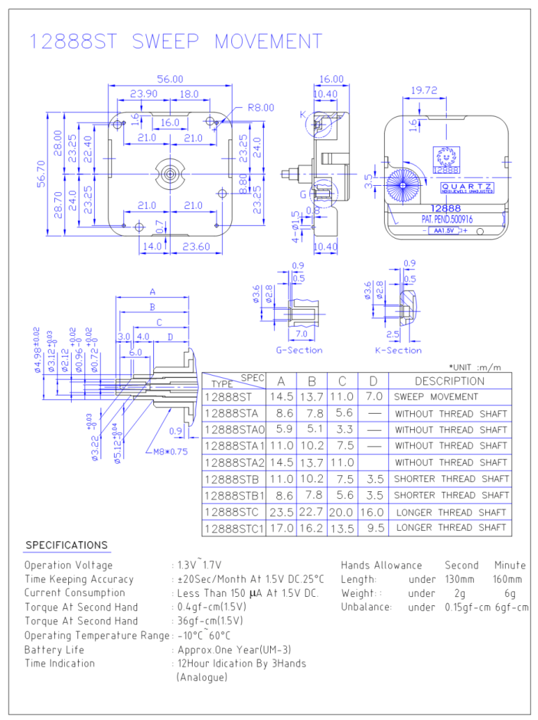
Specifications

We produce and supply clock hands to fit with this clock movement

Contact us via email mkclock@126.com for more information for all kinds of clock parts


Specifications

We produce and supply clock hands to fit with this clock movement

Contact us via email mkclock@126.com for more information for all kinds of clock parts